JWM絲桿升降機

JWM(梯形絲桿類型)基本參數


JW絲杠升降機橫向載荷對應的措施

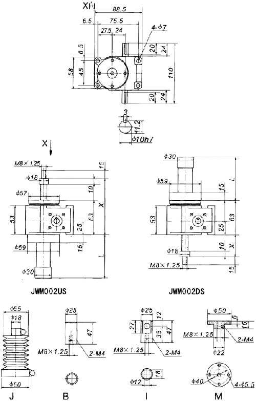
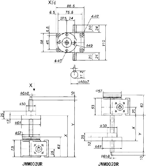
JWM002絲杠升降機外形尺寸表



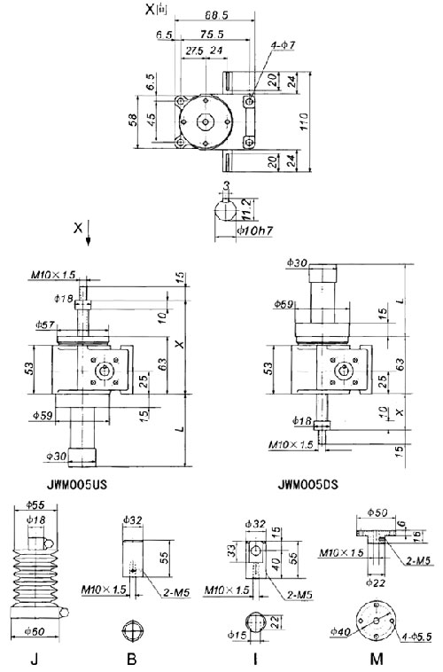
JWM005絲杠升降機外形尺寸表




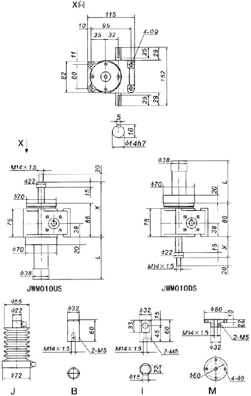
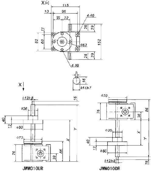
JWM010絲杠升降機外形尺寸表




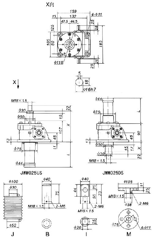
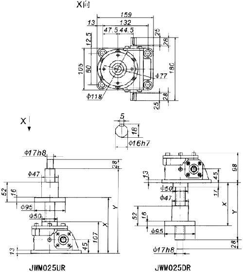
JWM025絲杠升降機外形尺寸表




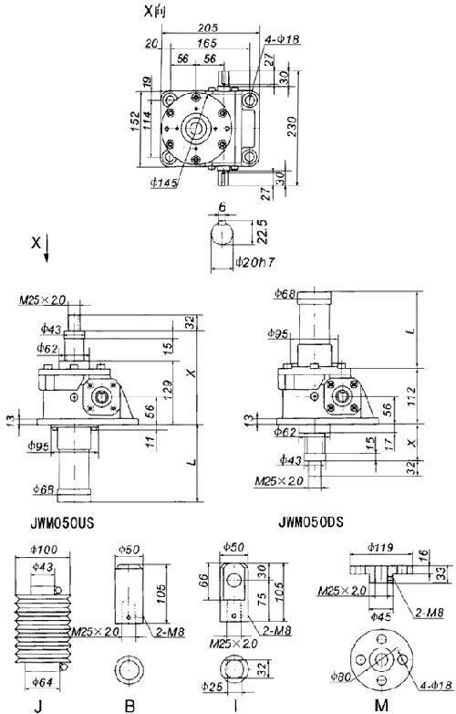
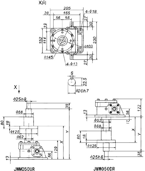
JWM050絲杠升降機外形尺寸表




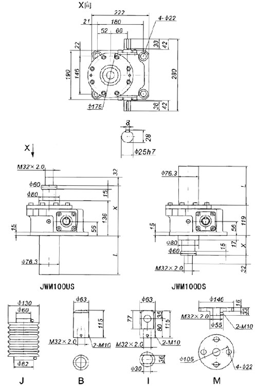
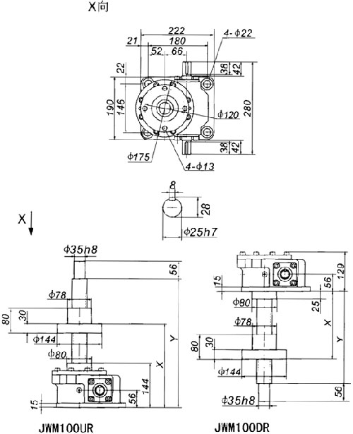
JWM100絲杠升降機外形尺寸表




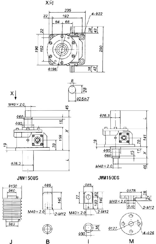
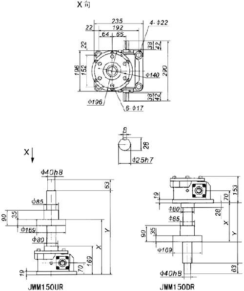
JWM150絲杠升降機外形尺寸表




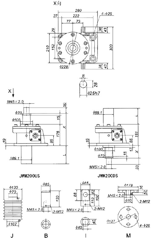
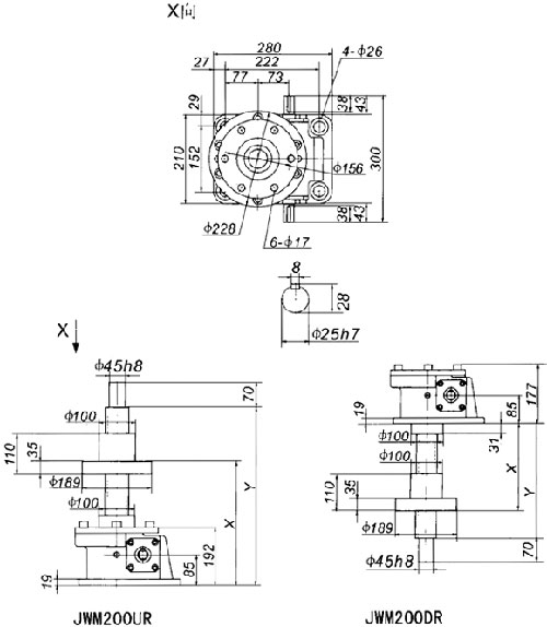
JWM200絲杠升降機外形尺寸表




JWM300絲杠升降機外形尺寸表


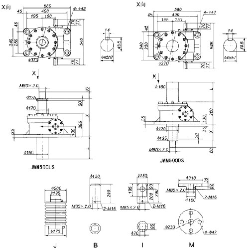
JWM500絲杠升降機外形尺寸表


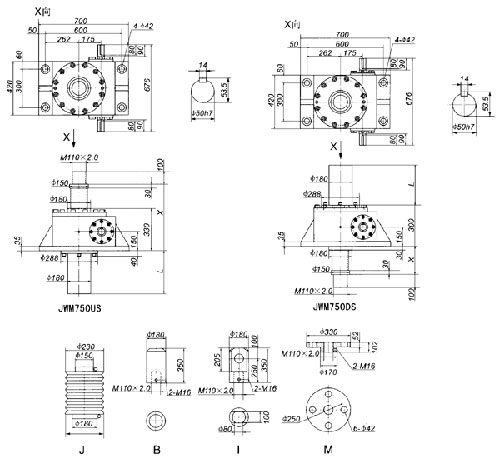
JWM750絲杠升降機外形尺寸表


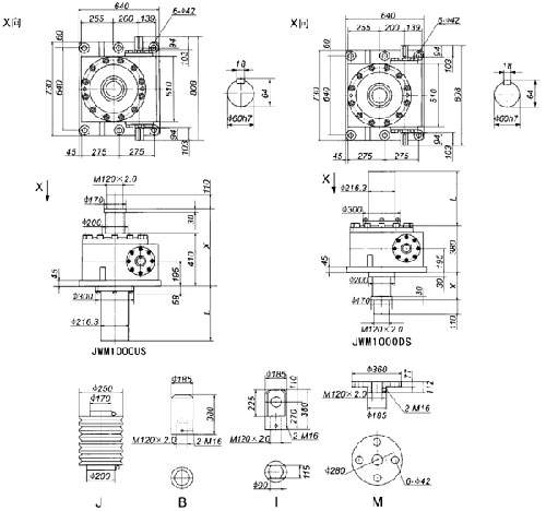
JWM1000絲杠升降機外形尺寸表


上一篇: SWL絲桿升降機
下一篇: JWB滾珠絲桿升降機
