SWL絲桿升降機

SWL蝸輪絲桿升降機詳細介紹
蝸輪絲桿升降機是一部基礎起重部件,SWL蝸輪絲桿升降機是由蝸輪減速機和升降絲桿來組成的, 蝸輪絲桿升降機的減速部件是蝸桿傳動,利用蝸桿帶動蝸輪來實現減速的。 蝸輪的中心是內螺紋結構,相當于升降絲桿的螺母,和升降絲桿相匹配。
SWL蝸輪絲桿升降機可以單臺使用也可以組合使用,能控制調整提升或推進的高度,蝸輪絲桿升降機還具有自鎖的功能。
蝸輪絲桿升降機工作環境溫度:-20℃-+80℃。
SWL蝸輪絲桿升降機安裝方便、使用靈活而且壽命比較長,被廣泛用于機械 、冶金 、建筑 、化工 、醫療 、文化衛生等各個行業。




SWL蝸輪絲桿升降機技術參數:
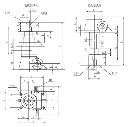
1、結構型式:1型——絲桿作軸向移動; 2型——絲桿作旋轉運動、螺母作軸向移動。
2、裝配型式:A型——絲桿/或螺母向上移動; B型——絲桿/或螺母向下移動
3、絲桿頭部型式:1型結構型式的絲桿頭部:Ⅰ型(圓柱型)、Ⅱ型(法蘭型)、Ⅲ型(螺紋型)、Ⅳ型(扁頭型)
2型結構型式的絲桿頭部:Ⅰ型(圓柱型)、Ⅲ型(螺紋型)
4、傳動比:普通速比(P)、慢速比(M),可按用戶要求定制中速比(F)
5、提升承載能力:1kN、 2.5kN、 5kN、 10kN、 15kN、 20kN、 25kN、 35kN、 50kN、 100kN、 120kN
6、絲桿的防護:1型結構:基本型(無防護)、防旋轉型(F)、帶防護罩(Z)、防旋轉連護罩(FZ) 2型結構:基本型(無防護)





上一篇: 沒有了!
下一篇: JWM絲桿升降機
